特性规格 


2 point position series 


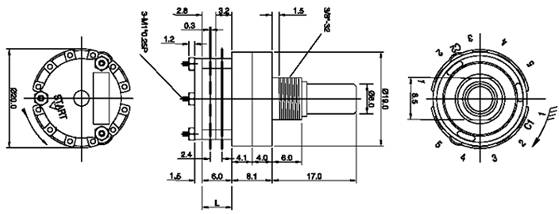
3 point position series 


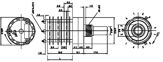
4 point position series 


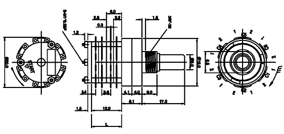
5~6 point position series 


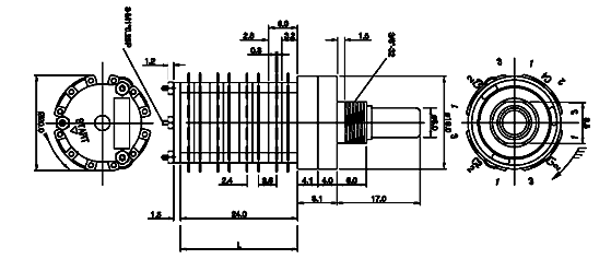
7~12 point position series