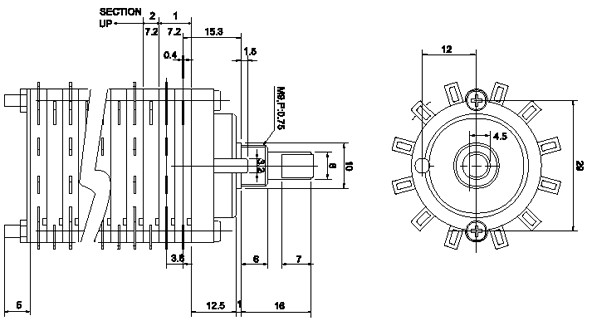
RCL 38 SERIES