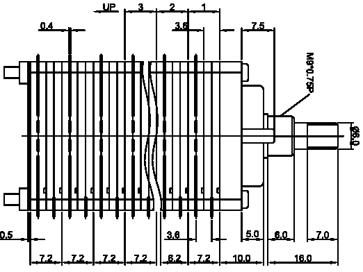
规格特性    


RCL 37 SERIES