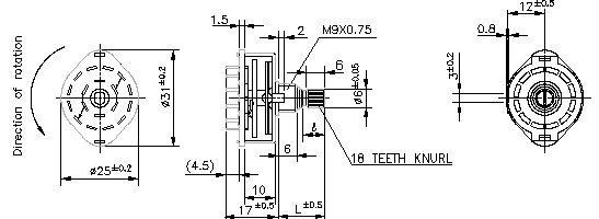
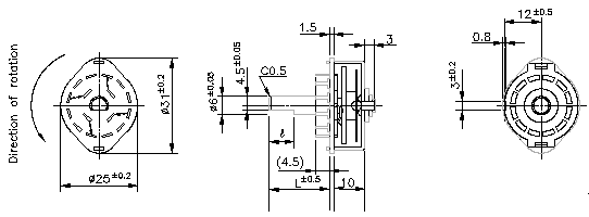
SPECIFICATIONS      
  SWITCH Rating
Contact Resistance
Insulation Resistance
Withstand Voltage
RotationTorque
DC30V 0.3A
30mΩ Max
DC500V 100MΩ Min
AC500V 1Minute
1.0 ±0.5Kg.cm