產品特性 


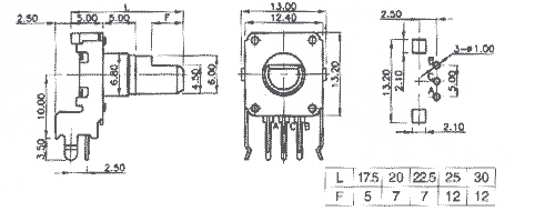
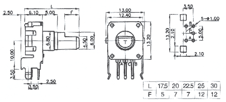
R126EC-A1-


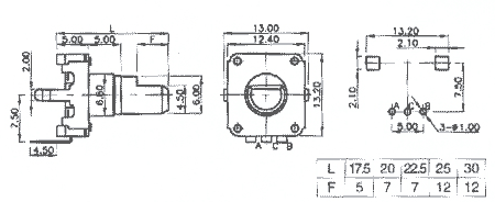
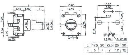
R126EC-D1-


R126EC-A1-XX0.5


R126EC-D1-XX-0.5