產品規格   


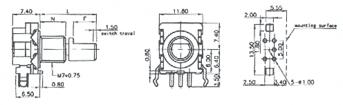
R11EC-A1-XX-1.5


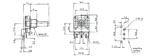
R11EC-D1-XX1.5


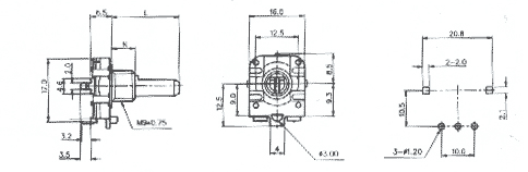
R16EC-A1-


R16EC-D1-