產品特性        


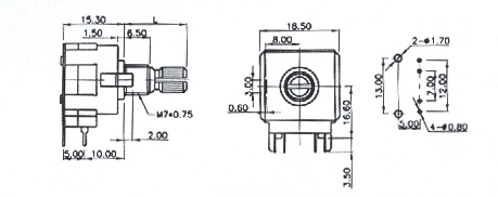
SR14


R168EC-A1-