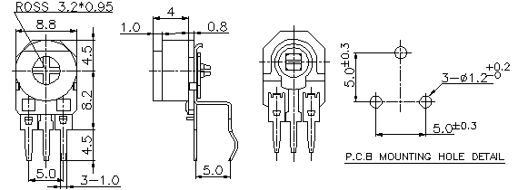
T655


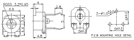
T825


B065B