| ELECTRICAL
SPECIFICATION |
|
| TOTAL
RESISTANCE&TOLERANCE |
5K-2M±20%(MORE
THAN 1M±30%) |
| |
|
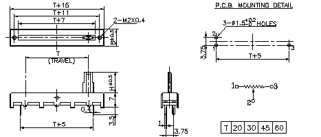
15mm
|
20mm
|
30mm
|
45mm
|
60mm
|
|
RATED WATTAGE
|
B
|
SINGLE
|
0.05
|
0.1
|
0.2
|
0.25
|
0.2
|
|
DUAL
|
0.025
|
0.05
|
0.1
|
0.125
|
0.2
|
|
EXCEPT B
|
SINGLE
|
0.025
|
0.1
|
0.1
|
0.125
|
0.1
|
|
DUAL
|
0.012
|
0.025
|
0.05
|
0.06
|
0.1
|
|
RATED VOLTAGE
|
B
|
100
|
200
|
200
|
200
|
200
|
|
EXCEPT B
|
50
|
150
|
150
|
150
|
150
|
|
| RESIDUAL
RESISTANCE............................................ |
BETWEEN
TERMINAL |
|
|
| INSULATION
RESISTANCE ......................................... |
MORE THAN
100 M AT 250 VDC |
| WITHSTAND
VOLTAGE
................................................. |
FOR
1MINUTE OR MORE AT 100VDC |
| TRACKING
ERROR
....................................................... |
-40~0dB<=
3dB |
| |
|
| MECHANICAL
SPECIFICATION |
|
| |
|
| LEVER
STOR STRENGTH
........................................... |
MORE THAN
50kgf.cm/min |
| OPERATING
TORQUE FORCE ................................... |
20-200gf.cm |
| SHAFT
LEVER STRENGTH
......................................... |
PULLING
PUSHING MORE THAN 3kg |
| SLIDING
LIFE
................................................................. |
MORE THAN
15000 CYCLES |