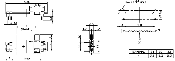
LEVER TYPE
C(insulated lever)
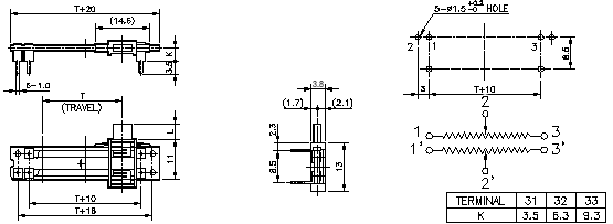
C1(metal lever)
D1(metal lever)
DIMENSIONS