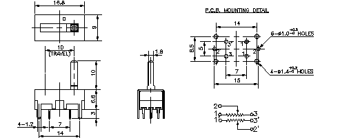
MODLE
C1001N
C1001G
C2040N
LEVER TYPE
H(inaulated lever)
C(inaulated lever)
C(insulated lever)

DIMENSIONS