SPECIFICATIONS        
  MECHANICAL   ELECTRICAL    
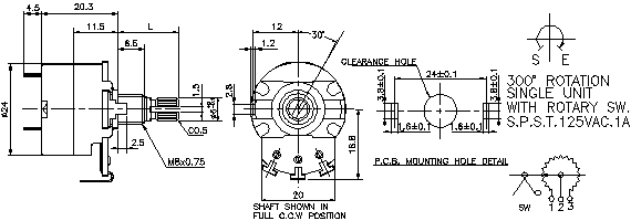
  TOTAL ROTATION ANGLE
ROTATION TORQUE
SHAFT STOP STRENGTH
SWITCH WORKING ANGLE
SWITCH WORKING TORQUE
SWITCH CIRCUIT
 
300°±5°
20-200gf.cm
more than 6kgf.cm/min
50°±10°
150~450 gf.cm
S.P.S.T.,S.P.D.T.
 
RATED WATTAGE

RATED VOLTAGE
INSULATION RESISTANCE
DIELECTRIC
TAP POSITION
SWITCH CONTACT RESISTANCE
SWITCH RATING

 
linear taper (B)Other taper
0.5W 0.25W
500V 250V
more than 100MΩat DC500V
AC500V, 1 minute
50% (150o)
less than 30mΩ
AC 125V,1A