SPECIFICATIONS        
  MECHANICAL   ELECTRICAL    
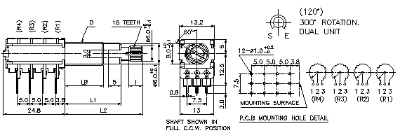
  TOTAL ROTATION ANGLE


ROTATION TORQUE


SHAFT STOP STRENGTH


SWITCH WORKING ANGLE
SWITCH WORKING TORQUE
SWITCH CIRCUIT
CLICK POSITION
CLICK TORQUE
120°±5°:F1/F2 tone,balance control
180°±5°:F1/F2 fader control
300°±5°:R1/R2 volume control
outer shaft 30~250 gf.cm
inner shaft 30~250 gf.cm
tuning shaft 100 gf.cm Max .
outer shaft:more than 4 kgf cm/min.
inner shaft:more than 5kgf cm/min.

T12 SERIES: 40°±10°
1,000 gf.cm MAX
S.P.S.T.
center(120°~180°rotation type)
60~450 gf.cm
T12 series
RATED WATTAGE
RATED VOLTAGE
INSULATION RESISTANCE
DIELECTRIC
SWITCH CONTACT RESISTNACE
SWITCH RATING

TAP POSITION
TRACKING ERROR

linear tape (B)Other taper
0.05W   0.05W
100V    50V
more than 100MΩ at DC500V
AC 500V,1 Minute
less than 50mΩ
12VDC 3A

50% rotation position
volume control:-40~0dB <= 4dB
tone control: <= 2dB at 50%
rotation position