|
HRM Series
|

-
Half Pitch (1.27mm) terminal.
-
Gold plated electrical contacts and
terminals gives
excellent results when soldering.
-
All materials are UL94V-0 grade fire
retardant plastics.
|
|
ITEM |
Description |
Materials |
Treatment |
|
1 |
Actuator |
UL94V-0 Nylon |
Molded white |
|
2 |
Cover |
UL94V-0 Nylon |
Molded black |
|
3 |
Base |
UL94V-0 Nylon |
Molded black |
|
4 |
Contact |
Copper |
Gold plating |
|
5 |
Terminal |
Brass |
Gold plating |
|
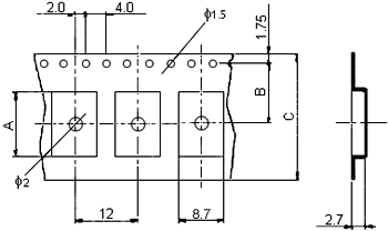
PROD NO. |
NO. OF POS |
DIM A |
|
HRM-02 |
2 |
3.68 (.145) |
|
HRM-04 |
4 |
6.22 (.245) |
|
HRM-06 |
6 |
8.76 (.345) |
|
HRM-08 |
8 |
11.30 (.445) |
|
HRM-10 |
10 |
13.84 (.545) |
|
HRM-12 |
12 |
16.38 (.645) |
| Example:
|
HRM is slide type half pitch DIP switch, Recessed Actuator. The amount of actuators, contacts and
terminals are based on position number. |
| PACKING |
All DIP switches are shipped in standard IC tubes or Tape & Reel Package with all poles in the "OFF"
position. |
|
PART NO.
|
NO. OF POS
|
A
|
B
|
C
|
Q'TY/REEL
|
|
HRM-02
|
02
|
4.10
|
5.5
|
12
|
2000 pcs
|
|
HRM-04
|
04
|
6.60
|
7.5
|
24
|
2000 pcs
|
|
HRM-06
|
06
|
9.20
|
7.5
|
24
|
2000 pcs
|
|
HRM-08
|
08
|
11.70
|
11.5
|
24
|
2000 pcs
|
|
HRM-10
|
10
|
14.30
|
11.5
|
24
|
2000 pcs
|
|
HRM-12
|
12
|
16.80
|
11.5
|
24
|
2000 pcs
|
|
 |
Tape & reel packing (Per EIA standards)
For packing details, please refer to pages 13 |
Electrical life: 2000 operation cycles per switch 24VDC, 25mA.
Non-Switching Rating: 100mA, 50 VDC
Switching Rating: 25mA, 24VCD. |
| Contact resistance: |
100mΩ max. after life test. |
Insulation resistance: 100MΩ min. (at 100VDC)
Dielectric Strength: 300VAC/1 minute.
Capacitance: 5pF max.
Circuit: Single pole single throw |
Mechanical life: 2000 operations per cycle switch
Operation Force: 500gf max.
Stroke: 0.65mm
Operation Temp: -25° C to +70° C
Storage Temp: -40° C to +85° C |
| Vibration Test: |
MIL-STD-202F METHOD 201a
Frequency: 10-55-10Hz/1 min
Directions: X, Y, Z, three mutually
perpendicular directions.
Time: 2 hours each direction.
High reliability. |
| Shock Test: |
MIL-STD-202F METHOD 213B.
CONDITION A
GRAVITY: 50G (peak value), 11 m/sec.
Direction and times: 6 sides and three times in
each direction. High reliability. |
| SOLDERING AND CLEANING PROCESSES |
| Soldering: |
vapor phase & IR-reflow soldering can be applied. |
| Cleaning: |
Freon TE, TF or trichloromethane by ultra-sonic wave washing for two minutes yields excellent results. |
| Reflow Temperature Profile. (reference) |
|